重庆市物价局关于转发国家发展改革委天然气管道运输价格管理和定价成本监审办法的通知
重庆市物价局关于转发
国家发展改革委天然气管道运输价格管理
和定价成本监审办法的通知
2017年3月27日 渝价〔2017〕40号
各区县(自治县)发展改革委,两江新区市场监管局、万盛经开区发展改革局,中石油西南油气田分公司,中石化天然气分公司,各有关单位:
为加强和完善我市天然气管道运输价格管理,规范定价成本监审行为,现将《国家发展改革委关于印发〈天然气管道运输价格管理办法(试行)〉和〈天然气管道运输定价成本监审办法(试行)〉的通知》(发改价格规〔2016〕2142号)转发给你们,并结合我市情况提出如下意见,请一并遵照执行。
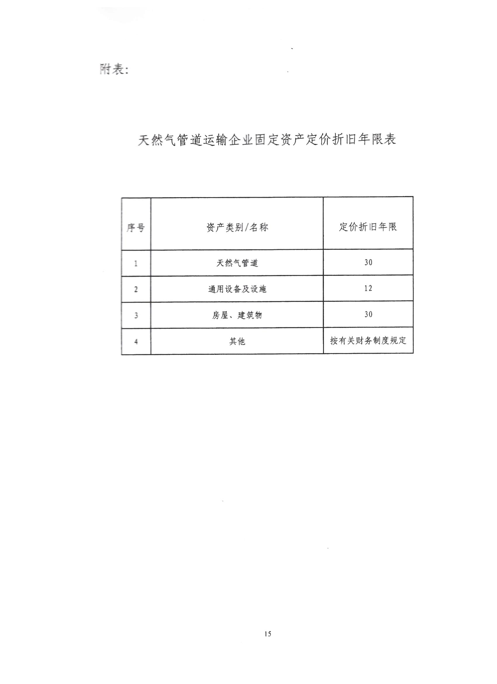
一、在我市天然气管道运输价格管理和定价成本监审办法制定实施前,市内短途输气管道运输价格管理和成本监审参照《天然气管道运输价格管理办法(试行)》和《天然气管道运输定价成本监审办法(试行)》执行。
二、市内短途输气管道运输价格管理和成本监审工作由市价格主管部门制定、调整和实施。
三、市内输气管道运输企业应在每年6月1日前,向市价格主管部门报送投资、收入、成本等相关信息资料。
















